芯片简介
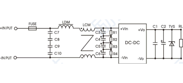
LKT15-800S15是15W超宽压输入DC-DC隔离模块电源,适用于光伏发电、高压逆变器等场合。支持4000Vdc隔离、输出短路/过压保护、78%转换效率及300-1500VDC超宽输入范围,采用阻燃封装满足UL94-V0标准。
芯片特点:
输出15V
输出15W
隔离
降压
输入300-1500VDC
最大电流1000mA
隔离电压4000Vdc
转换效率78%
65kHz
模块

LKT15-800S15是15W超宽压输入DC-DC隔离模块电源,适用于光伏发电、高压逆变器等场合。支持4000Vdc隔离、输出短路/过压保护、78%转换效率及300-1500VDC超宽输入范围,采用阻燃封装满足UL94-V0标准。
描述特性:超宽压输入范围:300-1500Vdc。 工作温度范围:-40 ~ +70℃。 保护功能齐全(输出短路、输出过压等)。 高隔离电压:4000Vdc。 阻燃封装,满足UL94-V0要求。 工业设计,高可靠性。应用:光伏发电。 汇流箱
近期成交1单