芯片简介
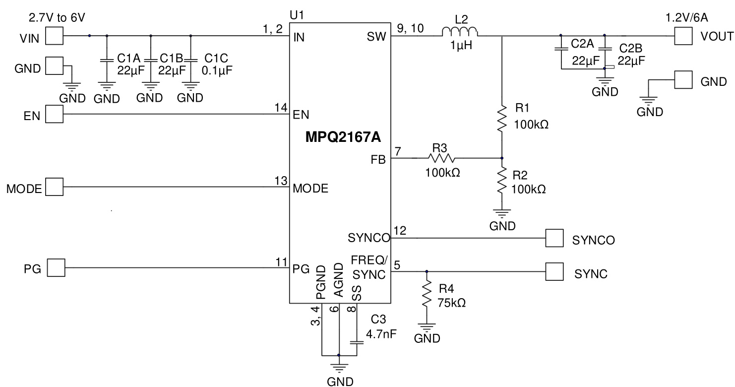
MPQ2167AGQE-AEC1-Z是一款频率可配置(300kHz至2.2MHz)的同步降压转换器,支持高达6A连续输出电流,采用峰值电流控制以实现优异的瞬态响应和效率。其输入电压范围为2.7V至6.0V,可生成最低0.606V的输出电压。该器件集成35mΩ高边开关和25mΩ同步整流器,无需外部肖特基二极管。特性包括可选的先进异步模式(AAM)或强制连续导通模式(FCCM)、外部软启动、远程使能控制、电源良好指示器,以及过流保护(OCP)、短路保护(SCP)、过压保护(OVP)和自恢复热保护。适用于汽车信息娱乐、仪表盘、远程信息处理及便携设备。
芯片特点:
车规级
输入2.7V~6.0V
输出0A~6A
内置MOS
300kHz~2.2MHz
使能
软启动



