芯片简介
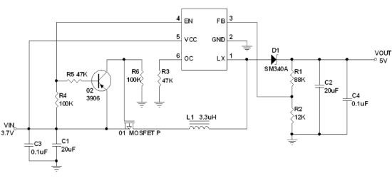
TC6291C是一款电流模式升压型DC-DC转换器,内置0.2Ω功率MOSFET和1MHz固定频率脉宽调制电路。具有0.6V精密基准电压、可调过流保护(0.5A~2.5A)、软启动功能及过温保护机制,采用SOT23-6封装节省空间。
芯片特点:
输入2.6V~5.5V
输出可调至12V
内置MOS
1MHz
使能
软启动

TC6291C是一款电流模式升压型DC-DC转换器,内置0.2Ω功率MOSFET和1MHz固定频率脉宽调制电路。具有0.6V精密基准电压、可调过流保护(0.5A~2.5A)、软启动功能及过温保护机制,采用SOT23-6封装节省空间。
描述TC6291C 是一款高效率的电流型DC-DC升压器IC,内置0.2Ω、2A、16V的功率场效应管,支持可调输出高达12V,具有过温保护功能和精准的反馈参考电压(0.6V ±2%)。
RoHSSMT扩展库
3000个/圆盘
总额¥0
近期成交37单
描述TC6291B是一款电流模式升压型DC-DC转换器,内置0.2Ω功率场效应管,具有高功率效率和内部补偿网络,减少外部元件数量。支持可调输出高达12V,关断电流为0.1uA,固定脉宽调制频率为1.5MHz,具备过温保护功能。
RoHSSMT扩展库
3000个/圆盘
总额¥0
近期成交21单