芯片简介
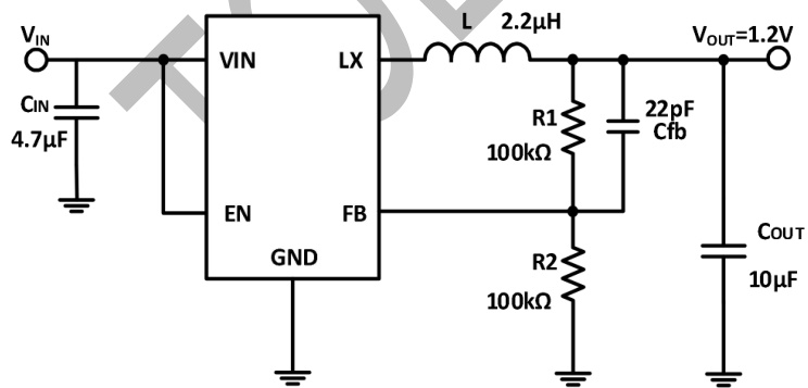
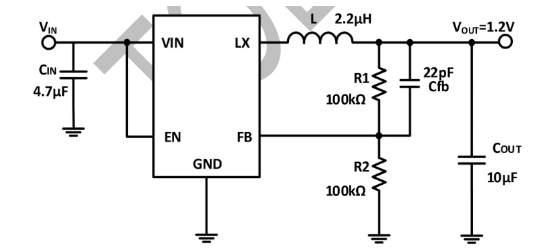
TMI3408C是一款1.5MHz固定频率的同步降压转换器,集成了主开关和同步整流器,无需外部肖特基二极管。支持0.6V至输入电压的可调输出,适用于单节锂离子电池供电设备,提供高达96%的效率。特性包括短路保护、热故障保护、输入过压保护、软启动及两种操作模式(PWM和PFM),采用电流模式控制以实现优异的瞬态响应。
芯片特点:
输入2.5V~5.5V
输出1.5A
内置MOS
1.5MHz
使能
软启动

TMI3408C是一款1.5MHz固定频率的同步降压转换器,集成了主开关和同步整流器,无需外部肖特基二极管。支持0.6V至输入电压的可调输出,适用于单节锂离子电池供电设备,提供高达96%的效率。特性包括短路保护、热故障保护、输入过压保护、软启动及两种操作模式(PWM和PFM),采用电流模式控制以实现优异的瞬态响应。
描述TMI3408C是一款高性能1.5MHz单片降压转换器,具有高达96%的效率。它集成了主开关和同步整流器,无需外部肖特基二极管。输入电压范围为2.5V至5.5V,输出电流可达1.5A,输出电压可低至0.6V。支持100%占空比,具有低静态电流和多种保护功能。
RoHSSMT扩展库
3000个/圆盘
总额¥0
近期成交58单