芯片简介
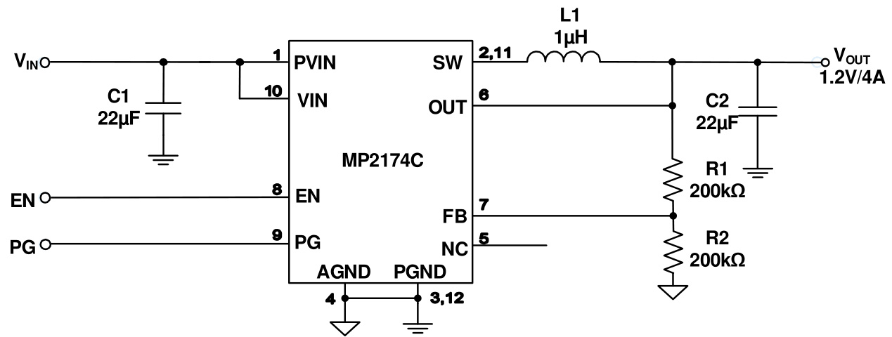
MP2174C是一款单片降压开关转换器,内置功率MOSFET,支持2.7V至5.5V输入电压范围及最低0.6V输出电压,可提供4A连续输出电流。采用恒定导通时间(COT)控制方案,具备快速瞬态响应和环路稳定性。集成故障保护功能包括逐周期电流限制、热关断及短路保护(打嗝模式)。特性包含强制PWM模式、96%峰值效率、0.5ms软启动、自动放电和电源就绪指示功能,外部元件精简,适用于便携设备及存储驱动等场景。
芯片特点:
输入2.7V~5.5V
输出4A
内置MOS
1.1MHz
使能
软启动



