芯片简介
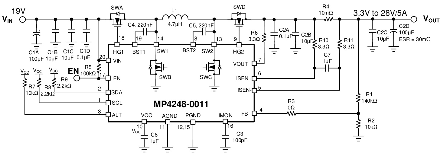
MP4248是一款140W峰值功率的Buck-Boost转换器,集成低侧MOSFET,支持USB PD应用。具有I²C接口和OTP存储器实现灵活配置,提供恒流限流、输出过压保护、热关断等多重保护。内置控制电路、驱动电路及保护电路,支持高侧电流检测,可选PWM/PFM模式切换,具备输出偏置VCC LDO以提高效率。
芯片特点:
输入3.6V~36V
输出7A
内置MOS管
使能
软启动

MP4248是一款140W峰值功率的Buck-Boost转换器,集成低侧MOSFET,支持USB PD应用。具有I²C接口和OTP存储器实现灵活配置,提供恒流限流、输出过压保护、热关断等多重保护。内置控制电路、驱动电路及保护电路,支持高侧电流检测,可选PWM/PFM模式切换,具备输出偏置VCC LDO以提高效率。
描述DCDC升降压,电源输入30V以上,3A以上(大电流)方案,
RoHSSMT扩展库
5000个/圆盘
总额¥0
近期成交9单