芯片简介
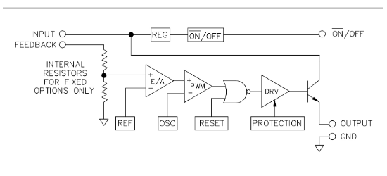
LM2575S-5.0是单片集成开关稳压器,支持降压及升降压拓扑,内置补偿网络。输入范围4V-40V,预设5V固定输出(可调1.23V-35V),需外接电感/二极管。含使能控制引脚,效率达82%(典型),提供过流及热保护。

LM2575S-5.0是单片集成开关稳压器,支持降压及升降压拓扑,内置补偿网络。输入范围4V-40V,预设5V固定输出(可调1.23V-35V),需外接电感/二极管。含使能控制引脚,效率达82%(典型),提供过流及热保护。
| 开源项目名称 | 开源项目介绍 |
|---|---|
| DCDC-TO263-5封装方案验证板 | PCB适用于TO263-5封装的DCDC降压芯片,由于包含型号较多,不同型号之间的参数存在差异,所以部分元件选用时需要视实际情况决定。 |
描述是专为“降压”或“降压/升压”调节器应用而设计的单片集成电路,可在输入电压、负载和温度的综合变化下提供精确的输出电压。该系列极大地简化了开关电源的设计。包括一个开关调节器和补偿网络,都封装在同一个封装内。只需添加一个扼流圈、一个续流二极管和两个电容器,即可获得高效的直流到直流转换器。具有限流和热关断功能,可充分保护设备免受过应力条件的影响。与流行的三端线性稳压器相比,提供更高的效率并减小散热器尺寸。在许多应用中不需要散热器。
SMT扩展库
800个/圆盘
总额¥0
近期成交73单
描述是专为“降压”或“降压/升压”调节器应用而设计的单片集成电路,可在输入电压、负载和温度的综合变化下提供精确的输出电压。该系列极大地简化了开关电源的设计。包括一个开关调节器和补偿网络,都封装在同一个封装内。只需添加一个扼流圈、一个续流二极管和两个电容器,即可获得高效的直流到直流转换器。具有限流和热关断功能,可充分保护设备免受过应力条件的影响。与流行的三端线性稳压器相比,提供更高的效率并减小散热器尺寸。在许多应用中不需要散热器。
RoHSSMT扩展库
800个/圆盘
总额¥0
近期成交11单
描述是专为“降压”或“降压/升压”调节器应用而设计的单片集成电路,可在输入电压、负载和温度的综合变化下提供精确的输出电压。该系列极大地简化了开关电源的设计。包括一个开关调节器和补偿网络,都封装在同一个封装内。只需添加一个扼流圈、一个续流二极管和两个电容器,即可获得高效的直流到直流转换器。具有限流和热关断功能,可充分保护设备免受过应力条件的影响。与流行的三端线性稳压器相比,提供更高的效率并减小散热器尺寸。在许多应用中不需要散热器。
SMT扩展库
800个/圆盘
总额¥0
近期成交12单
描述PCB空板 PCB适用于TO263-5封装的DCDC降压芯片,由于包含型号较多,不同型号之间的参数存在差异,所以部分元件选用时需要视实际情况决定。
1个/袋
总额¥0
近期成交2单