芯片简介
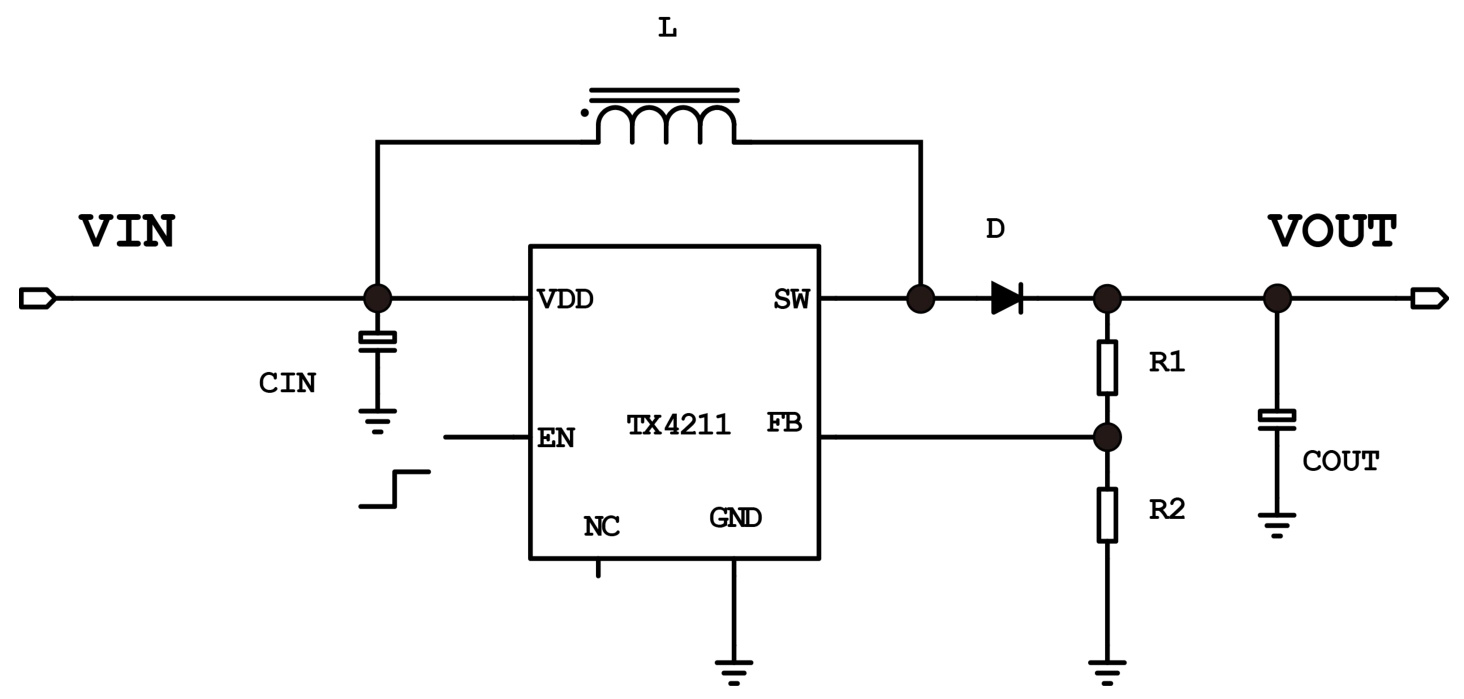
TX4211是一款恒定频率电流模式升压转换器,适用于小型低功耗应用。采用1.2MHz开关频率,支持内部软启动、轻载自动切换至脉冲频率调制模式,具备欠压锁定、限流和热过载保护功能。特性包括宽输入电压2V-24V、2A可调输出电流、高达93%的效率、自动PFM模式、输出电压可调、内部补偿及4A开关电流限制。
芯片特点:
输入2V~24V
输出可调)
内置MOS
1.2MHz
使能
软启动

TX4211是一款恒定频率电流模式升压转换器,适用于小型低功耗应用。采用1.2MHz开关频率,支持内部软启动、轻载自动切换至脉冲频率调制模式,具备欠压锁定、限流和热过载保护功能。特性包括宽输入电压2V-24V、2A可调输出电流、高达93%的效率、自动PFM模式、输出电压可调、内部补偿及4A开关电流限制。
描述TX4211是一款恒定频率电流模式升压转换器,适用于小型低功耗应用。芯片开关频率为1.2MHz,可以使用小型、低成本电容和电感。内部软启动可产生小的浪涌电流并延长电池寿命。芯片具有轻载时自动切换到脉冲频率调制模式的功能。芯片具有欠压锁定,限流和热过载保护,以防止输出过载时损坏器件。芯片采用SOT-23封装。
RoHSSMT扩展库
3000个/圆盘
总额¥0
近期成交40单