芯片简介
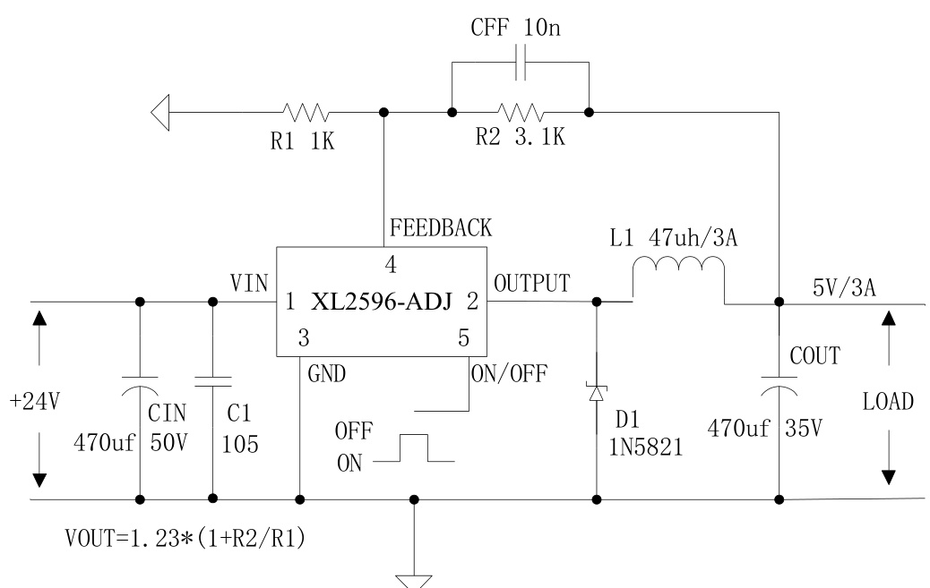
XL2596T-12E1是一款150KHz固定频率PWM降压型DC/DC转换器,支持4.5V至40V宽输入电压范围,可提供3A恒定输出电流,具备高效率、低纹波和优异的线路/负载调节特性。其内部集成优化功率晶体管、频率补偿电路及固定频率振荡器,支持0-100%线性占空比调节,并包含过流保护、热关断和二级限流功能。器件采用TO-220和TO-263封装,适用于LCD显示器、数字相框、通信设备等场景。
芯片特点:
输入4.5V~40V
输出3A
内置MOS
150KHz
使能

XL2596T-12E1是一款150KHz固定频率PWM降压型DC/DC转换器,支持4.5V至40V宽输入电压范围,可提供3A恒定输出电流,具备高效率、低纹波和优异的线路/负载调节特性。其内部集成优化功率晶体管、频率补偿电路及固定频率振荡器,支持0-100%线性占空比调节,并包含过流保护、热关断和二级限流功能。器件采用TO-220和TO-263封装,适用于LCD显示器、数字相框、通信设备等场景。
| 参考设计 | ||
| 规格书 | ||
描述DCDC降压,电源输入30V以上,1A~3A(中电流)方案,12V
SMT扩展库
50个/管
总额¥0
近期成交10单
描述DCDC降压,电源输入30V以上,1A~3A(中电流)方案,3.3V
SMT扩展库
50个/管
总额¥0
近期成交2单
描述DCDC降压,电源输入30V以上,1A~3A(中电流)方案,5.0V
SMT扩展库
50个/管
总额¥0
近期成交16单
描述DCDC降压,电源输入30V以上,1A~3A(中电流)方案,ADJ
SMT扩展库
50个/管
总额¥0
近期成交9单