芯片简介
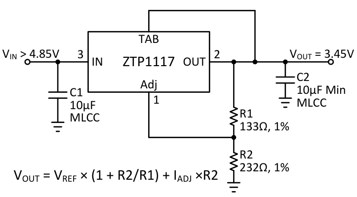
ZTP1117SA是一款1A低压差正电压稳压器,支持可调或固定输出电压,输入输出电压差低至1.4V。芯片内部包含误差放大器、基准电压源、功率晶体管和保护电路,具有±1%的参考电压精度、低压差特性、快速瞬态响应和热限制保护功能。
芯片特点:
输入20V
输出1A
精度±1%
输出1.25V~14.6V

ZTP1117SA是一款1A低压差正电压稳压器,支持可调或固定输出电压,输入输出电压差低至1.4V。芯片内部包含误差放大器、基准电压源、功率晶体管和保护电路,具有±1%的参考电压精度、低压差特性、快速瞬态响应和热限制保护功能。
| 开源项目名称 | 开源项目介绍 |
|---|---|
| C2842719-LDO方案验证板(A版) | LDO验证板A版:3款SOT-23-3、3款SOT-89-3、2款SOT-23-5、2款SOT-23-6、2款SOT-223。 |
描述ZTP1117 系列正可调式和固定式稳压器旨在高效提供 1A 电流。所有内部电路均设计为可在低至 1.4V 的输入输出压差下工作。片上微调可将参考电压调整至 1%
RoHSSMT扩展库
4000个/圆盘
总额¥0