芯片简介
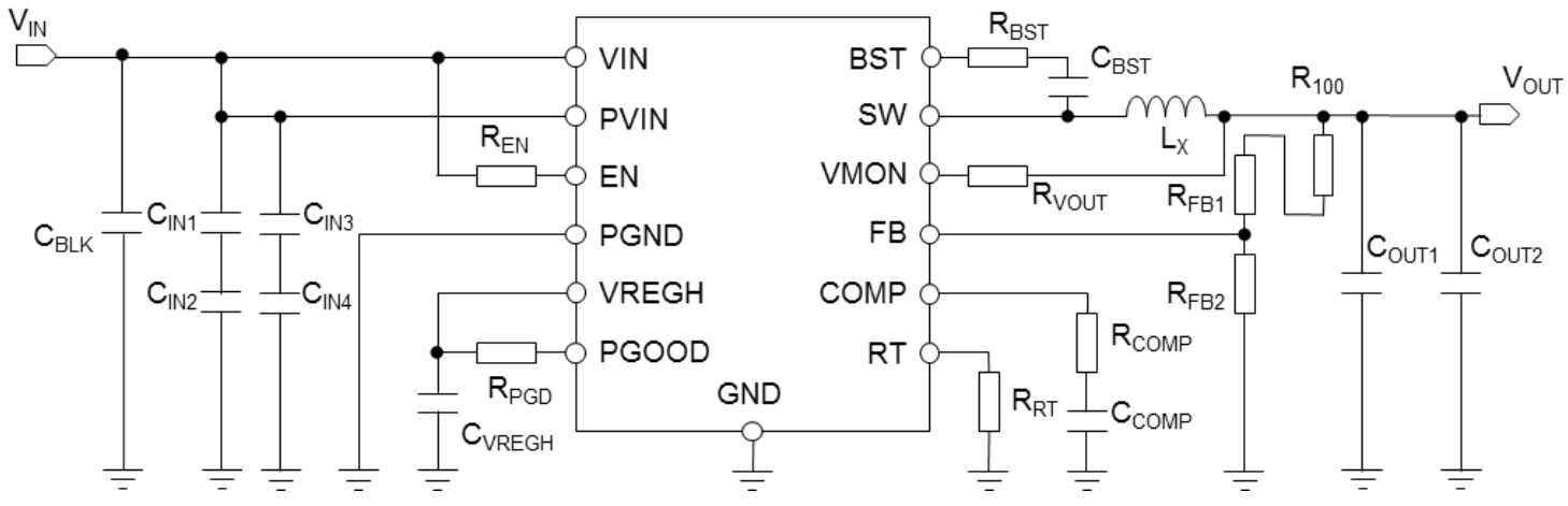
BD9V101MUF-LBE2是一款同步降压转换器,集成高压功率MOSFET,支持16V至60V宽输入电压范围,最大输出电流1A。采用2.1MHz高频开关,内置软启动功能,具备过流保护、过压保护、短路保护、输入欠压/过压锁定及热关断保护,适用于工业设备供电场景。
芯片特点:
输入16V~60V
输出1A
内置MOS管
2.1MHz
使能
软启动

BD9V101MUF-LBE2是一款同步降压转换器,集成高压功率MOSFET,支持16V至60V宽输入电压范围,最大输出电流1A。采用2.1MHz高频开关,内置软启动功能,具备过流保护、过压保护、短路保护、输入欠压/过压锁定及热关断保护,适用于工业设备供电场景。
描述BD9V101MUF-LB是一款16V至60V输入电压范围的1A输出同步降压转换器,集成高电压额定功率MOSFET。支持工业市场长期供应,具备多种保护功能,如过流保护、过压保护、欠压锁定保护等。
RoHSSMT扩展库
2500个/圆盘
总额¥0