芯片简介
XL1530E1是一款380KHz固定频率的PWM降压型DC/DC转换器,可驱动3A负载,具有高效率、低纹波和优异的线性及负载调节性能。其内部集成优化功率MOSFET,包含固定频率振荡器和频率补偿电路,支持使能控制、过流保护、短路保护及热关断功能。
芯片特点:
输入3.6V~18V
输出3A
内置MOS
380KHz
使能

XL1530E1是一款380KHz固定频率的PWM降压型DC/DC转换器,可驱动3A负载,具有高效率、低纹波和优异的线性及负载调节性能。其内部集成优化功率MOSFET,包含固定频率振荡器和频率补偿电路,支持使能控制、过流保护、短路保护及热关断功能。
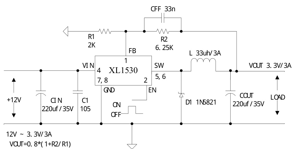
描述DCDC降压,电源输入7V~30V,1A~3A(中电流)方案,XL1530是一款380KHz固定频率的PWM降压DC-DC转换器,输入电压范围为3.6V至18V,输出电压可调范围为0.8V至16V,最大输出电流为3A,具有高效率、低纹波和优秀的线路及负载调节性能。
RoHSSMT扩展库
4000个/圆盘
总额¥0
近期成交36单