芯片简介
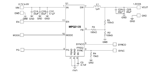
MPQ2123是一款车规级认证的同步降压转换器,支持2.7V至6V输入电压范围和最大2A连续输出电流。其集成40mΩ高边MOSFET和30mΩ同步整流器,提供高效率且无需外部肖特基二极管。特性包括可配置频率(300kHz-2.2MHz)、先进异步调制(AAM)和强制连续导通模式(FCCM)、软启动、使能控制及电源就绪(PG)指示。内置保护功能涵盖过流保护(OCP)、短路保护(SCP)、输入欠压锁定(UVLO)、输出过压保护(OVP)和热关断。
芯片特点:
车规级
输入2.7V~6V
输出2A
内置MOS
300kHz~2.2MHz
使能
软启动



