芯片简介
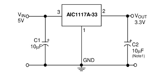
AIC1117A-33GYTR是一款低压差线性稳压器,提供1A输出电流,支持固定输出电压3.3V。具有1.3V典型压差电压、快速瞬态响应、±1%输出电压精度,内置电流限制和热保护功能。需外接10μF输出电容以确保稳定性,适用于低电压微处理器应用。
芯片特点:
输入7V
输出1A
精度±1%
输出3.3V

AIC1117A-33GYTR是一款低压差线性稳压器,提供1A输出电流,支持固定输出电压3.3V。具有1.3V典型压差电压、快速瞬态响应、±1%输出电压精度,内置电流限制和热保护功能。需外接10μF输出电容以确保稳定性,适用于低电压微处理器应用。
| 开源项目名称 | 开源项目介绍 |
|---|---|
| C2842719-LDO方案验证板(A版) | LDO验证板A版:3款SOT-23-3、3款SOT-89-3、2款SOT-23-5、2款SOT-23-6、2款SOT-223。 |
描述该设备是一款低压差三端稳压器,可提供高达 1A 的输出电流。该设备有可调版本以及固定输出电压为 1.8V、2.5V 和 3.3V 的版本。在 1A 输出电流下,保证最大压差为 1.5V。
SMT扩展库
3000个/圆盘
总额¥0
近期成交15单