芯片简介
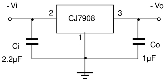
CJ7908是一款三端负电压稳压器,提供最大1.5A输出电流和-8V输出电压,具有低噪声特性和高纹波抑制。其典型压差电压为1.1V,适用于高电流负电压供电场景。
芯片特点:
输入-35V
输出1.5A
精度±3%
功耗:1.25W
输出-8V

CJ7908是一款三端负电压稳压器,提供最大1.5A输出电流和-8V输出电压,具有低噪声特性和高纹波抑制。其典型压差电压为1.1V,适用于高电流负电压供电场景。
描述特性:最大输出电流 Jₒₘ:1.5A。 输出电压 Vₒ:8V。 连续总耗散功率 Pᴅ:1.25W (Tₐ = 25℃)
RoHSSMT扩展库
2500个/圆盘
总额¥0
近期成交44单