芯片简介
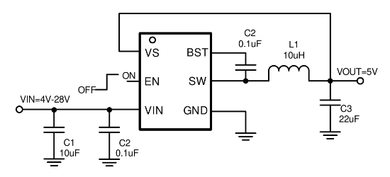
SCT2320TVBR是一款2A同步降压DCDC转换器,输入电压范围为3.8V-32V,采用峰值电流模式控制,集成130mΩ高边MOSFET和70mΩ低边MOSFET。该芯片具有EMI优化设计,包括±6%频率扩展频谱(FSS)和开关节点无振铃技术,有效降低传导和辐射干扰。支持脉冲跳跃调制(PSM)模式,轻载时静态电流低至20μA,效率在1mA和5mA负载时分别超过80%和88%。内置4ms软启动时间,提供输出过压保护、逐周期峰值电流限制及160℃热关断保护。
芯片特点:
输入3.8V~32V
输出2A
内置MOS
500kHz
使能
软启动




