芯片简介
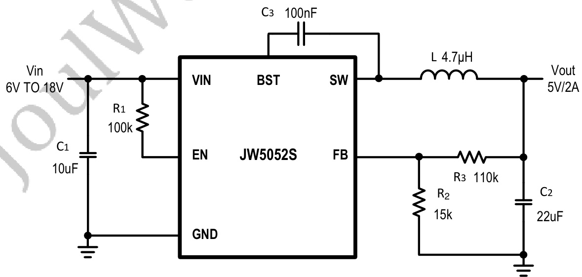
JW5052S是一款电流模式同步降压电压转换器,输入电压范围3.7V至18V,可提供2A连续输出电流并集成双N沟道MOSFET。采用轻载低频运行机制以维持高效率及低输出纹波,具备短路保护、热保护、输入欠压锁定及电流失控保护功能。内部结构包含控制电路、驱动电路和保护电路,特性包括高达95%的转换效率、固定800kHz开关频率、启动电流限制及周期性的过流保护机制。
芯片特点:
输入3.7V~18V
输出2A
内置MOS
800kHz
使能
软启动

JW5052S是一款电流模式同步降压电压转换器,输入电压范围3.7V至18V,可提供2A连续输出电流并集成双N沟道MOSFET。采用轻载低频运行机制以维持高效率及低输出纹波,具备短路保护、热保护、输入欠压锁定及电流失控保护功能。内部结构包含控制电路、驱动电路和保护电路,特性包括高达95%的转换效率、固定800kHz开关频率、启动电流限制及周期性的过流保护机制。
| 开源项目名称 | 开源项目介绍 |
|---|---|
| DC-DC降压芯片方案验证板-A版 | 该方案验证版,主要用于测试市面上常见的SOT-23封装的降压型DC/DC芯片,板子上目前集成了三种引脚排序。 |
描述JW5052S是一款电流模式单片降压电压转换器,输入电压范围为3.7V至18V,可提供2A连续输出电流。该器件具有高效率(最高可达95%),内置两个N-Channel MOSFET,轻载时采用低频模式以保持高效率和低输出纹波。具备短路保护、过流保护、热保护和输入欠压锁定功能。封装为TSOT23-6。
SMT扩展库
3000个/圆盘
总额¥0