芯片简介
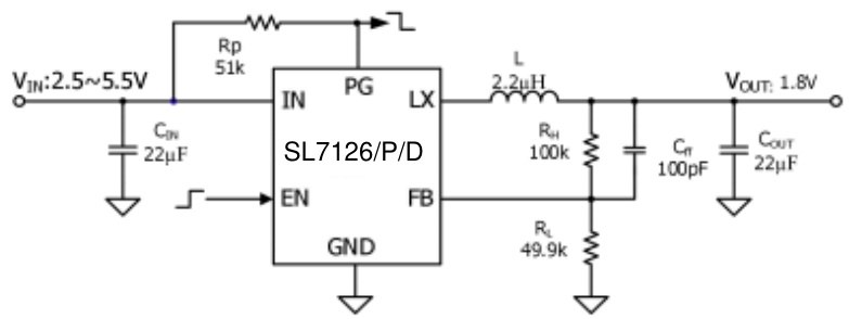
SL7126YT5是一款高效同步降压转换器,工作输入电压范围2.5V至5.5V,可提供2A输出电流。集成低导通电阻的主开关和同步开关以降低传导损耗,1.5MHz开关频率减少外部电感和输出电容尺寸。特性包含35μA超低静态电流、内部软启动、输入过压保护、短路保护及优化的PFM模式提升轻载效率。
芯片特点:
输入2.5V~5.5V
输出2A
内置MOS
1.5MHz
使能
软启动

SL7126YT5是一款高效同步降压转换器,工作输入电压范围2.5V至5.5V,可提供2A输出电流。集成低导通电阻的主开关和同步开关以降低传导损耗,1.5MHz开关频率减少外部电感和输出电容尺寸。特性包含35μA超低静态电流、内部软启动、输入过压保护、短路保护及优化的PFM模式提升轻载效率。
描述SL7126/26P/26D 是一款高效率的同步降压转换器,可在 2.5V 至 5.5V 的宽输入电压范围内工作,最大输出电流可达 2A。它集成了主开关和同步开关,具有极低的导通电阻,以减少传导损耗。开关频率为 1.5MHz,可减小外部电感和输出电容的尺寸,降低输出电压纹波。该芯片采用 SOT23-5/SOT23-6/DFN1.6X1.6-6 封装。
3000个/圆盘
总额¥0
近期成交8单