芯片简介
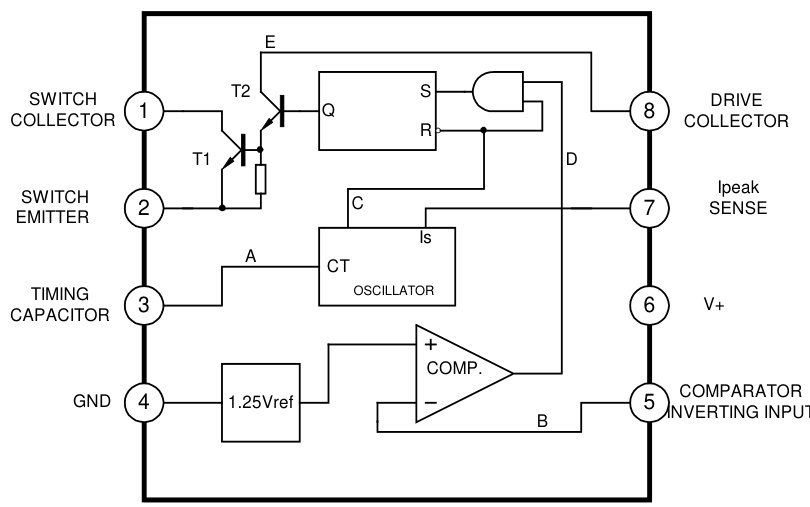
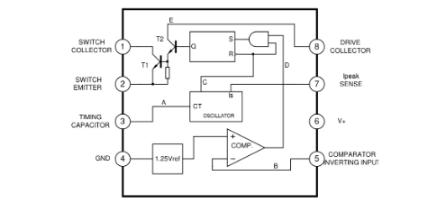
单片式DC-DC转换器控制器,支持降压/升压/反压拓扑。包含温度补偿带隙基准、占空比控制振荡器、驱动电路及1.2A输出开关。具备短路电流限制和低待机电流特性,适用于开关稳压器及串联稳压器。内部功能模块包括比较器、振荡器、驱动电路和输出开关单元。
芯片特点:
输入3.0V~36V
输出1.2A
100Hz~100kHz
负压


单片式DC-DC转换器控制器,支持降压/升压/反压拓扑。包含温度补偿带隙基准、占空比控制振荡器、驱动电路及1.2A输出开关。具备短路电流限制和低待机电流特性,适用于开关稳压器及串联稳压器。内部功能模块包括比较器、振荡器、驱动电路和输出开关单元。
描述MC34063是一款单片调节子系统,适用于DC到DC转换器。该设备包含温度补偿带隙参考、占空比控制振荡器、驱动器和高电流输出开关。它可以用于降压、升压或反相式开关稳压器以及串联稳压器。
SMT扩展库
2500个/圆盘
总额¥0
近期成交43单