芯片简介
XL1513E1是一款380KHz固定频率PWM降压DC/DC转换器,支持3.6V至18V宽输入电压范围,输出可调至0.8V~16V,最大输出电流2A。集成优化功率MOSFET,具备高效率、低纹波特性,内置过流保护、短路保护及热关断功能,支持EN引脚使能控制。
芯片特点:
输入3.6V~18V
输出2A
内置MOS
380KHz
使能

XL1513E1是一款380KHz固定频率PWM降压DC/DC转换器,支持3.6V至18V宽输入电压范围,输出可调至0.8V~16V,最大输出电流2A。集成优化功率MOSFET,具备高效率、低纹波特性,内置过流保护、短路保护及热关断功能,支持EN引脚使能控制。
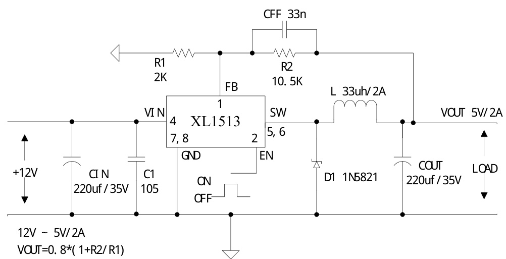
描述DCDC降压,电源输入7V~30V,1A~3A(中电流)方案,XL1513是一款380KHz固定频率的PWM降压DC-DC转换器,输入电压范围为3.6V至18V,输出电压可调范围为0.8V至16V,最大输出电流为2A,具有高效率、低纹波和优秀的线路及负载调节性能。内置优化的功率MOSFET,最小压差为0.6V,最大占空比为100%,并具备多种保护功能。
RoHSSMT扩展库
4000个/圆盘
总额¥0
近期成交11单