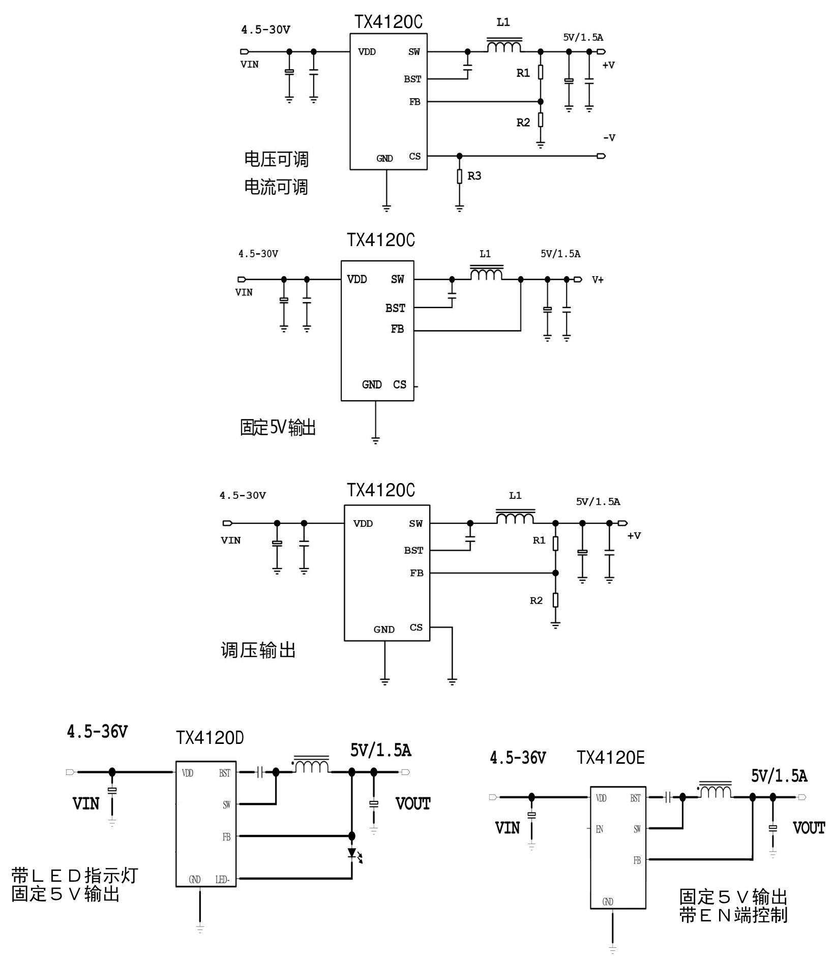
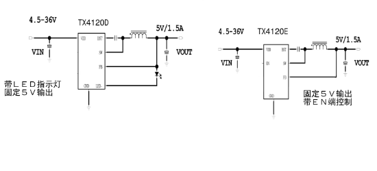
芯片简介
TX4120X是一款高效率同步降压型DC-DC转换器,内置双功率MOS管,支持4.5V-36V宽输入电压和1.5A连续输出电流。具备输入过压保护、输出短路保护、欠压锁定功能,采用恒流恒压控制模式,集成软启动及150kHz固定开关频率,轻载时进入跳脉冲模式以提高效率,支持线补功能和外部使能控制。
芯片特点:
输入4.5V~36V
输出1.5A
内置MOS
150kHz
使能
软启动

TX4120X是一款高效率同步降压型DC-DC转换器,内置双功率MOS管,支持4.5V-36V宽输入电压和1.5A连续输出电流。具备输入过压保护、输出短路保护、欠压锁定功能,采用恒流恒压控制模式,集成软启动及150kHz固定开关频率,轻载时进入跳脉冲模式以提高效率,支持线补功能和外部使能控制。
| 开源项目名称 | 开源项目介绍 |
|---|---|
| DC-DC降压芯片方案验证板-A版 | 该方案验证版,主要用于测试市面上常见的SOT-23封装的降压型DC/DC芯片,板子上目前集成了三种引脚排序。 |
描述TX4120x是一款高效率的同步降压型开关稳压器,内置两个功率MOS管,提供1.5A连续负载电流输出,宽输入电压范围4.5V-36V,具有输入过压保护、恒流恒压控制、固定150kHz开关频率等功能。
RoHSSMT扩展库
3000个/圆盘
总额¥0
近期成交41单