芯片简介
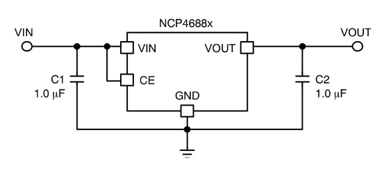
NCP4688是一款CMOS150mALDO线性稳压器,具有高输出精度、低噪声、高纹波抑制比和自动放电功能。适用于工业应用、便携通信设备和射频模块。特性包括±1%输出电压精度、低噪声输出、高PSRR、带使能控制和车规级认证。
芯片特点:
车规级
输入6V
输出0.15A
精度±1%
输出1.8V
使能

NCP4688是一款CMOS150mALDO线性稳压器,具有高输出精度、低噪声、高纹波抑制比和自动放电功能。适用于工业应用、便携通信设备和射频模块。特性包括±1%输出电压精度、低噪声输出、高PSRR、带使能控制和车规级认证。
| 规格书 | C153737_线性稳压器(LDO)_NCP4688DSN18T1G_规格书_onsemi(安森美)线性稳压器(LDO)规格书.PDF |
| 开源项目名称 | 开源项目介绍 |
|---|---|
| C2842719-LDO方案验证板(A版) | LDO验证板A版:3款SOT-23-3、3款SOT-89-3、2款SOT-23-5、2款SOT-23-6、2款SOT-223。 |
RoHSSMT扩展库
3000个/圆盘
总额¥0