芯片简介
MIC5205-5.0YM5-TR是一款高效率线性稳压器,具有超低噪声输出、极低压差电压和低接地电流。支持逻辑控制的电子使能功能,关闭时功耗接近零。内部包含误差放大器、基准电压源、功率晶体管和保护电路,提供反向电池保护、电流/热限制功能,适用于电池供电设备和存储设备供电。
芯片特点:
输入16V
输出150mA
精度±1%~±2%
功耗:2500μA
输出5V
使能

MIC5205-5.0YM5-TR是一款高效率线性稳压器,具有超低噪声输出、极低压差电压和低接地电流。支持逻辑控制的电子使能功能,关闭时功耗接近零。内部包含误差放大器、基准电压源、功率晶体管和保护电路,提供反向电池保护、电流/热限制功能,适用于电池供电设备和存储设备供电。
| 开源项目名称 | 开源项目介绍 |
|---|---|
| C2842719-LDO方案验证板(A版) | LDO验证板A版:3款SOT-23-3、3款SOT-89-3、2款SOT-23-5、2款SOT-23-6、2款SOT-223。 |
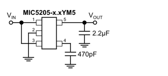
描述是一款高效线性稳压器,具有超低噪声输出、非常低的压差电压(轻载时典型值为17 mV,150 mA时为165 mV)和非常低的接地电流(100 mA输出时为600 μA),初始精度优于1%。专为手持电池供电设备设计,包括一个CMOS或TTL兼容的使能/关断控制输入。关断时,功耗几乎降至零。稳压器接地电流在压差状态下仅略有增加,进一步延长电池寿命。关键特性包括参考旁路引脚以改善其出色的低噪声性能、反接电池保护、限流和过温关断。有固定和可调输出电压版本,采用小型SOT-23-5封装。
RoHSSMT扩展库
3000个/圆盘
总额¥0
近期成交79单