芯片简介
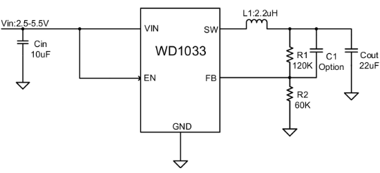
WD1033是一款高效率同步降压DC-DC转换器,专为电池供电的便携式应用优化,支持2A输出电流。输入电压范围2.5V~5.5V,适用于单节锂离子电池、多节碱性电池及3.3V/5V输入场景。采用1.5MHz固定开关频率,支持PWM和轻载PSM模式以维持高效,内置0.6V反馈参考电压,支持可调输出电压和100%占空比低压差操作。
芯片特点:
输入2.5V~5.5V
输出2A
内置MOS
1.5MHz
使能
软启动

WD1033是一款高效率同步降压DC-DC转换器,专为电池供电的便携式应用优化,支持2A输出电流。输入电压范围2.5V~5.5V,适用于单节锂离子电池、多节碱性电池及3.3V/5V输入场景。采用1.5MHz固定开关频率,支持PWM和轻载PSM模式以维持高效,内置0.6V反馈参考电压,支持可调输出电压和100%占空比低压差操作。
| 开源项目名称 | 开源项目介绍 |
|---|---|
| DC-DC降压芯片方案验证板-A版 | 该方案验证版,主要用于测试市面上常见的SOT-23封装的降压型DC/DC芯片,板子上目前集成了三种引脚排序。 |
描述WD1033是一款高效率的同步降压DC-DC转换器,适用于电池供电的便携式应用。它支持最高2A的输出电流,输入电压范围为2.5V至5.5V,开关频率为1.5MHz。该器件采用SOT-23-5L封装。
RoHSSMT扩展库
3000个/圆盘
总额¥0
近期成交10单