芯片简介
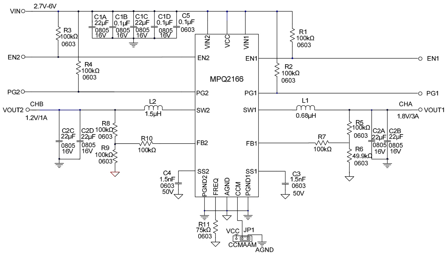
MPQ2166是一款双通道同步降压调节器,集成55mΩ高边开关和20mΩ同步整流器,支持2.7V-6V输入范围及最低0.6V输出电压。特性包括可编程频率至3MHz、180°相位差操作、外部软启动、>90%峰值效率,并具备AEC-Q100车规认证。采用内部补偿设计,支持100%占空比运行,提供过流保护、短路保护及热关断功能。
芯片特点:
车规级
输入2.7V~6V
输出2A/2A/3A/1A
内置MOS
3MHz
使能
双路输出
软启动

MPQ2166是一款双通道同步降压调节器,集成55mΩ高边开关和20mΩ同步整流器,支持2.7V-6V输入范围及最低0.6V输出电压。特性包括可编程频率至3MHz、180°相位差操作、外部软启动、>90%峰值效率,并具备AEC-Q100车规认证。采用内部补偿设计,支持100%占空比运行,提供过流保护、短路保护及热关断功能。
描述DCDC降压,电源输入7V以内,1A~3A(中电流)方案,
RoHSSMT扩展库
5000个/圆盘
总额¥0
近期成交6单