芯片简介
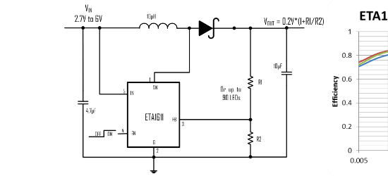
ETA1611是一款高效率升压转换器,内置22V功率MOSFET,工作频率1MHz,支持2A输出电流。具有真PWM调光功能、22V过压保护(OVP)和200mV反馈电压,通过EN引脚实现使能控制和输出调节。内部集成控制电路、驱动电路及OVP保护模块,采用固定频率PWM控制,支持外部电阻调节输出电压和LED电流。
芯片特点:
输入2.7V~6V
输出可达22V
内置MOS
1MHz
使能

ETA1611是一款高效率升压转换器,内置22V功率MOSFET,工作频率1MHz,支持2A输出电流。具有真PWM调光功能、22V过压保护(OVP)和200mV反馈电压,通过EN引脚实现使能控制和输出调节。内部集成控制电路、驱动电路及OVP保护模块,采用固定频率PWM控制,支持外部电阻调节输出电压和LED电流。
描述ETA1611是一款高效的升压转换器,内部集成22V功率MOSFET,最高效率可达95%,支持高达2A的输出电流,具备22V过压保护,运行频率为1MHz,支持真正的PWM亮度控制,反馈电压为200mV,最大电流限制为2.8A,采用SOT23-6封装。
RoHSSMT扩展库
3000个/圆盘
总额¥0
近期成交92单