芯片简介
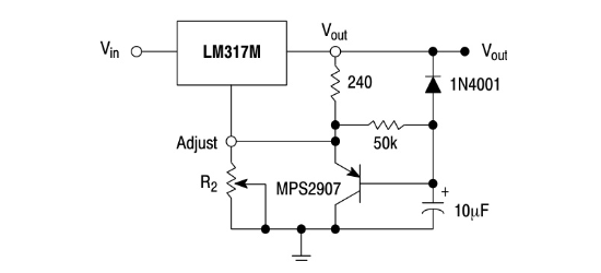
LM317MBSTT3G是一款可调三端正电压稳压器,支持超过500mA的输出电流,输出电压范围为1.2V至37V。其特性包括内部电流限制、热过载保护、短路保护、输出晶体管安全区补偿,并支持高电压应用的浮动操作。芯片内部由误差放大器、基准电压源、功率晶体管和保护电路组成,适用于需要高稳定性和低噪声的电源场景。NCV前缀型号符合车规级认证。
芯片特点:
输入40V
输出0.5A~0.9A
精度±4%
输出1.2V~37V可调

LM317MBSTT3G是一款可调三端正电压稳压器,支持超过500mA的输出电流,输出电压范围为1.2V至37V。其特性包括内部电流限制、热过载保护、短路保护、输出晶体管安全区补偿,并支持高电压应用的浮动操作。芯片内部由误差放大器、基准电压源、功率晶体管和保护电路组成,适用于需要高稳定性和低噪声的电源场景。NCV前缀型号符合车规级认证。
| 开源项目名称 | 开源项目介绍 |
|---|---|
| C2842719-LDO方案验证板(A版) | LDO验证板A版:3款SOT-23-3、3款SOT-89-3、2款SOT-23-5、2款SOT-23-6、2款SOT-223。 |
描述高PSRR 可调 正向
RoHSSMT扩展库
4000个/圆盘
总额¥0
近期成交33单