芯片简介
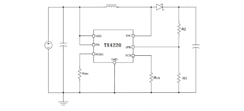
TX4220是一款专为升压、升降压开关电源设计的DC-DC芯片,内置100V/5A功率MOS管,支持5-36V宽输入电压范围。芯片采用固定频率PWM控制,轻载自动降频以提高效率,集成高精度误差放大器、振荡器、频率补偿电路、过流保护、EN关断功能及软启动和过温保护,外围设计简化。
芯片特点:
输入5V~36V
输出5A
内置MOS
可外接电阻设置
使能
软启动


TX4220是一款专为升压、升降压开关电源设计的DC-DC芯片,内置100V/5A功率MOS管,支持5-36V宽输入电压范围。芯片采用固定频率PWM控制,轻载自动降频以提高效率,集成高精度误差放大器、振荡器、频率补偿电路、过流保护、EN关断功能及软启动和过温保护,外围设计简化。