芯片简介
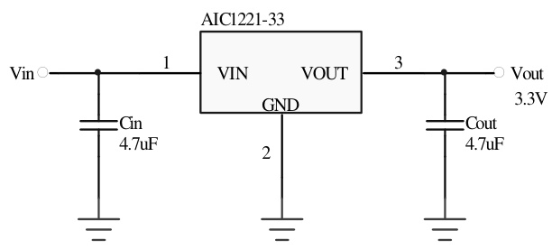
AIC1221是一款低噪声、高PSRR的超低漏失线性稳压器,支持2A连续输出电流,适用于便携和无线设备。该芯片提供±2%的高精度输出电压,可通过外部电阻调节输出电压。特性包括低静态电流、低漏失电压、噪声旁路引脚、逻辑电平关闭控制以及电流限制和热保护功能。
芯片特点:
输入7V
输出2A
精度±2%
输出3.3V/0.8V~5.5V
使能

AIC1221是一款低噪声、高PSRR的超低漏失线性稳压器,支持2A连续输出电流,适用于便携和无线设备。该芯片提供±2%的高精度输出电压,可通过外部电阻调节输出电压。特性包括低静态电流、低漏失电压、噪声旁路引脚、逻辑电平关闭控制以及电流限制和热保护功能。
| 开源项目名称 | 开源项目介绍 |
|---|---|
| C2842719-LDO方案验证板(A版) | LDO验证板A版:3款SOT-23-3、3款SOT-89-3、2款SOT-23-5、2款SOT-23-6、2款SOT-223。 |
描述一款低噪声、高电源抑制比(PSRR)且超低压差的线性稳压器,针对低等效串联电阻(ESR)陶瓷电容运行进行了优化,可提供2A的连续电流。它专为对性能和空间有严格要求的便携式和无线设备而设计,能提供高精度的输出电压,容差为±2%。对于非预设值的输出电压,也可以进行调节
SMT扩展库
3000个/圆盘
总额¥0
近期成交13单