芯片简介
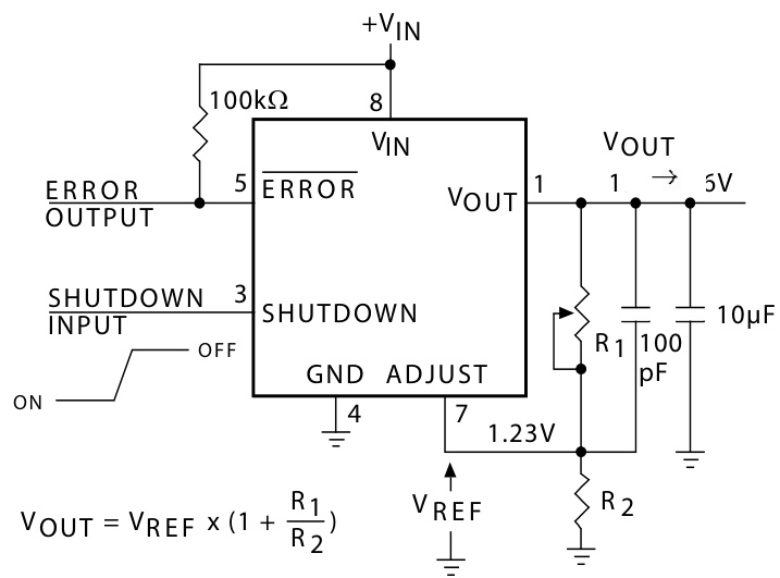
MIC2920A-5.0WS是一款高效、低压差线性稳压器,具有400mA输出能力,低静态电流和低压差电压。其特性包括高精度输出电压、反向电池保护、60V负载突降保护、电流/热限制功能,适用于汽车电子和电池供电设备。内部由误差放大器、基准电压源、功率晶体管及保护电路构成。
芯片特点:
输入60V
输出400mA
精度±1%
功耗:140μA
输出5.0V

MIC2920A-5.0WS是一款高效、低压差线性稳压器,具有400mA输出能力,低静态电流和低压差电压。其特性包括高精度输出电压、反向电池保护、60V负载突降保护、电流/热限制功能,适用于汽车电子和电池供电设备。内部由误差放大器、基准电压源、功率晶体管及保护电路构成。
| 开源项目名称 | 开源项目介绍 |
|---|---|
| C2842719-LDO方案验证板(A版) | LDO验证板A版:3款SOT-23-3、3款SOT-89-3、2款SOT-23-5、2款SOT-23-6、2款SOT-223。 |
描述MIC2920A系列是“坚固耐用”的高效稳压器,具有极低的压差(轻载时典型值为40mV,250mA负载时典型值为370mV)和极低的静态电流(典型值为140μA)。MIC2920A的静态电流在压差状态下仅略有增加,可延长电池使用寿命。MIC2920A的主要特性包括电池反接保护、折返式限流以及汽车“负载突降”保护(60V正向瞬态)
RoHSSMT扩展库
78个/管
总额¥0
近期成交2单