芯片简介
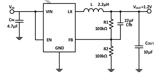
TMI31601F是一款1.5MHz固定频率的峰值电流模式同步降压转换器,集成主PMOSFET开关和同步整流器,支持ForcePWM工作模式。具有高达96%的效率,输入电压范围2.5V至5.5V,输出电流达1.2A,内置短路保护、热故障保护、浪涌电流限制及软启动功能,采用DFN1.6x1.6-6封装,适用于单节锂离子电池供电设备。
芯片特点:
输入2.5V~5.5V
输出1.2A
内置MOS
1.5MHz
使能
软启动

TMI31601F是一款1.5MHz固定频率的峰值电流模式同步降压转换器,集成主PMOSFET开关和同步整流器,支持ForcePWM工作模式。具有高达96%的效率,输入电压范围2.5V至5.5V,输出电流达1.2A,内置短路保护、热故障保护、浪涌电流限制及软启动功能,采用DFN1.6x1.6-6封装,适用于单节锂离子电池供电设备。
描述TMI31601F是一款高效能的1.5MHz同步降压转换器,采用强制PWM模式。输入电压范围为2.5V至5.5V,最大输出电流为1.2A。该器件集成了主PMOSFET开关和同步整流器,无需外部肖特基二极管。适用于便携设备,如手机、DSL调制解调器、PDA等。
RoHSSMT扩展库
3000个/圆盘
总额¥0
近期成交4单