芯片简介
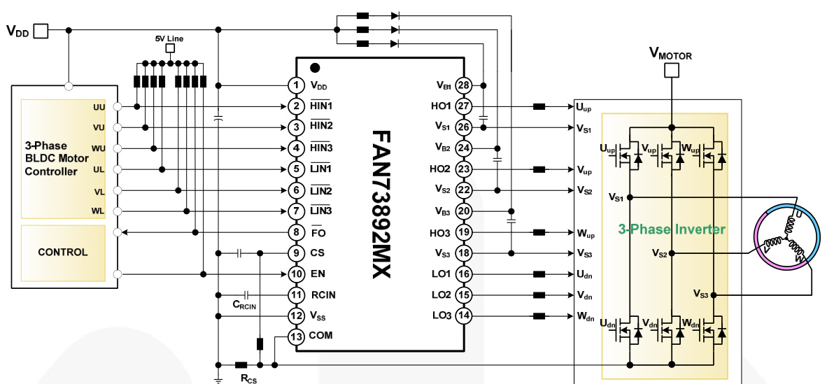
FAN73892MX是一款三相半桥栅极驱动芯片,专为高压高速驱动MOSFET/IGBT设计,支持+600V浮动通道。内部集成隔离电源模块、电荷泵电路、驱动放大器及保护逻辑单元,具备350mA/650mA驱动能力,支持自举供电、软关断、过流保护及自动故障清除功能,并通过车规级认证。
芯片特点:
桥式驱动
6通道
车规级
拉/灌电流0.35A/0.65A
自举功能
软关断
电容隔离

FAN73892MX是一款三相半桥栅极驱动芯片,专为高压高速驱动MOSFET/IGBT设计,支持+600V浮动通道。内部集成隔离电源模块、电荷泵电路、驱动放大器及保护逻辑单元,具备350mA/650mA驱动能力,支持自举供电、软关断、过流保护及自动故障清除功能,并通过车规级认证。
描述FAN73892是一款单片式三相半桥栅极驱动IC,专为高压、高速驱动最高工作电压达 +600 V的MOSFET和IGBT而设计。仙童(Fairchild)的高压工艺和共模噪声消除技术可确保高端驱动器在高dv/dt噪声环境下稳定运行。
RoHS
总额¥0