芯片简介
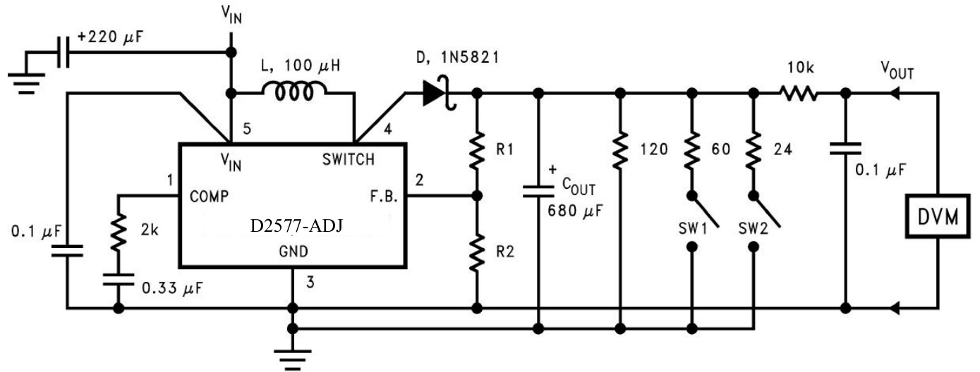
D2577S-12是单片集成开关稳压器芯片,支持升压、反激和正激拓扑。内置3.0ANPN开关管,输入电压范围3.5V-40V,采用电流模式控制提升瞬态响应和线性调整率。集成52kHz固定频率振荡器,具备软启动功能以减少启动冲击电流,保护机制包括电流限制、欠压锁定和热关断。
芯片特点:
输入3.5V~40V
输出12V
52kHz
软启动
工业品
D2577S-12是单片集成开关稳压器芯片,支持升压、反激和正激拓扑。内置3.0ANPN开关管,输入电压范围3.5V-40V,采用电流模式控制提升瞬态响应和线性调整率。集成52kHz固定频率振荡器,具备软启动功能以减少启动冲击电流,保护机制包括电流限制、欠压锁定和热关断。
描述D2577是一款单片集成电路,提供所有转换器开关调节器的功能。该设备提供12V、15V和可调输出电压版本。内置3.0A NPN开关及其保护电路,包括过流保护、欠压锁定和热关断。其他特性包括52kHz内部振荡器、软启动模式以及电流模式控制。
RoHS
50个/管
总额¥0
近期成交18单