芯片简介
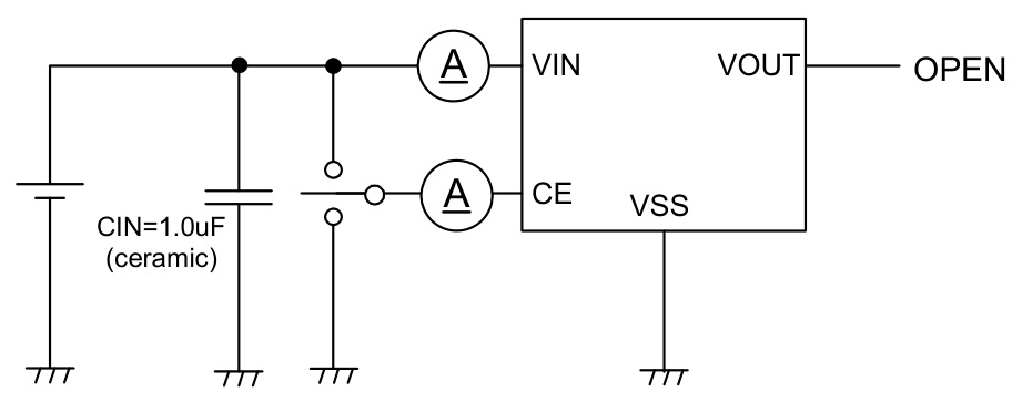
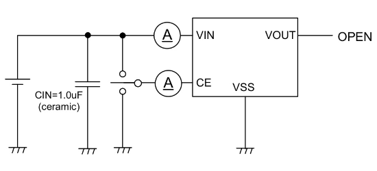
XC6215B332MR-G是一款高精度、低噪声的CMOS正电压LDO稳压器,支持1.5V~6.0V输入范围和0.9V~5.0V输出电压。其内部由基准电压源、误差放大器、电流折返电路、相位补偿电路和驱动晶体管组成,具有低功耗、兼容低ESR陶瓷电容、内置限流和短路保护功能,并可通过CE引脚实现开关控制。
芯片特点:
输入6.0V
输出200mA
精度±2%
功耗:0.8μA
输出3.3V
使能

XC6215B332MR-G是一款高精度、低噪声的CMOS正电压LDO稳压器,支持1.5V~6.0V输入范围和0.9V~5.0V输出电压。其内部由基准电压源、误差放大器、电流折返电路、相位补偿电路和驱动晶体管组成,具有低功耗、兼容低ESR陶瓷电容、内置限流和短路保护功能,并可通过CE引脚实现开关控制。
| 开源项目名称 | 开源项目介绍 |
|---|---|
| C2842719-LDO方案验证板(A版) | LDO验证板A版:3款SOT-23-3、3款SOT-89-3、2款SOT-23-5、2款SOT-23-6、2款SOT-223。 |
描述低功耗LDO电压稳压器输出ON/OFF 可控
RoHSSMT扩展库
3000个/圆盘
总额¥0
近期成交29单