芯片简介
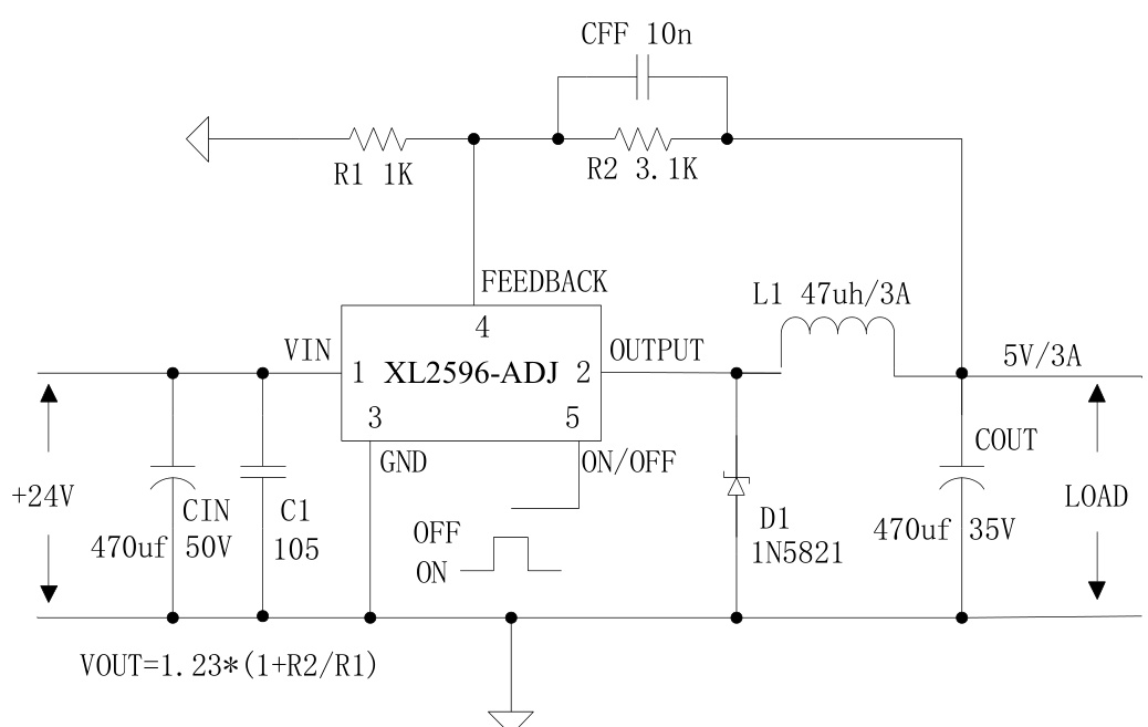
XL2596是一款150KHz固定频率PWM降压型DC/DC转换器,支持4.5V至40V宽输入电压范围,可输出3A恒定电流并实现1.23V至37V可调输出电压。具备高效率、低纹波特性,集成内部频率补偿、固定频率振荡器、过流保护及热关断功能。采用优化功率晶体管设计,外围元件精简,包含控制电路、驱动电路及多重保护模块。
芯片特点:
输入4.5V~40V
输出3A
内置MOS
150KHz
使能
软启动

XL2596是一款150KHz固定频率PWM降压型DC/DC转换器,支持4.5V至40V宽输入电压范围,可输出3A恒定电流并实现1.23V至37V可调输出电压。具备高效率、低纹波特性,集成内部频率补偿、固定频率振荡器、过流保护及热关断功能。采用优化功率晶体管设计,外围元件精简,包含控制电路、驱动电路及多重保护模块。
| 参考设计 | ||
| 规格书 | ||
| 开源项目名称 | 开源项目介绍 |
|---|---|
| DCDC-TO263-5封装方案验证板 | PCB适用于TO263-5封装的DCDC降压芯片,由于包含型号较多,不同型号之间的参数存在差异,所以部分元件选用时需要视实际情况决定。 |
描述DCDC降压,电源输入30V以上,1A~3A(中电流)方案,12V
SMT扩展库
800个/圆盘
总额¥0
近期成交100单+
描述XL2596是一款150 KHz固定频率的脉宽调制(PWM)降压型DC/DC转换器,能够驱动3A负载,具备高效率、低纹波以及出色的线性和负载调节能力。该稳压器所需的外部元件数量最少,使用简单,内置频率补偿和固定频率振荡器。PWM控制电路能够将占空比从0线性调节至100%
SMT扩展库
800个/圆盘
总额¥0
近期成交26单
描述XL2596是一款150 KHz固定频率的脉宽调制(PWM)降压型DC/DC转换器,能够驱动3A负载,具备高效率、低纹波以及出色的线性和负载调节能力。该稳压器所需的外部元件数量最少,使用简单,内置频率补偿和固定频率振荡器。PWM控制电路能够将占空比从0线性调节至100%
RoHSSMT扩展库
800个/圆盘
总额¥0
近期成交100单+
描述DCDC降压,电源输入30V以上,1A~3A(中电流)方案,ADJ
SMT扩展库
800个/圆盘
总额¥0
近期成交100单+
描述PCB空板 PCB适用于TO263-5封装的DCDC降压芯片,由于包含型号较多,不同型号之间的参数存在差异,所以部分元件选用时需要视实际情况决定。
1个/袋
总额¥0
近期成交2单