芯片简介
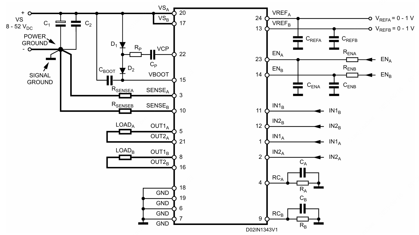
L6207D是一款DMOS双全桥驱动器,采用BCD技术集成隔离DMOS功率晶体管和CMOS/双极电路。具有双独立恒定关断时间PWM电流控制器,支持8-52V宽电压输入,集成非耗散过流保护、热关断、同步整流和交叉传导保护。内部包含PWM控制器、H桥驱动电路、电流检测模块和保护电路,适用于双直流电机和双极步进电机驱动。
芯片特点:
输入52V
输出2.8A
接口PWM
电流检测
输出

L6207D是一款DMOS双全桥驱动器,采用BCD技术集成隔离DMOS功率晶体管和CMOS/双极电路。具有双独立恒定关断时间PWM电流控制器,支持8-52V宽电压输入,集成非耗散过流保护、热关断、同步整流和交叉传导保护。内部包含PWM控制器、H桥驱动电路、电流检测模块和保护电路,适用于双直流电机和双极步进电机驱动。
描述双全桥驱动器 采用PWM电流控制器
RoHSSMT扩展库
32个/管
总额¥0