芯片简介
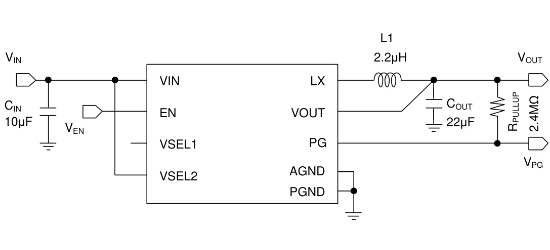
BD70522GUL是一款采用恒定导通时间控制的降压转换器,具有180nA超低静态电流和最高500mA输出电流能力。支持9种可选择的预设输出电压,集成100%导通模式可在输入接近输出电压时停止开关操作。包含高边/低边MOSFET、电源良好输出和VOUT放电功能,采用超低功耗模式实现轻载高效运行,具备欠压锁定和热关断保护。
芯片特点:
输入2.5V~5.5V
输出500mA
内置MOS管
1MHz
使能
软启动

BD70522GUL是一款采用恒定导通时间控制的降压转换器,具有180nA超低静态电流和最高500mA输出电流能力。支持9种可选择的预设输出电压,集成100%导通模式可在输入接近输出电压时停止开关操作。包含高边/低边MOSFET、电源良好输出和VOUT放电功能,采用超低功耗模式实现轻载高效运行,具备欠压锁定和热关断保护。
描述BD70522GUL是一款超低功耗降压转换器,支持高达500mA的输出电流,具有180nA的典型静态电流。该器件采用恒定导通时间(COT)控制模式,适用于低功耗应用,如烟雾探测器、恒温器、便携设备和可穿戴设备。
RoHSSMT扩展库
3000个/圆盘
总额¥0
近期成交13单