芯片简介
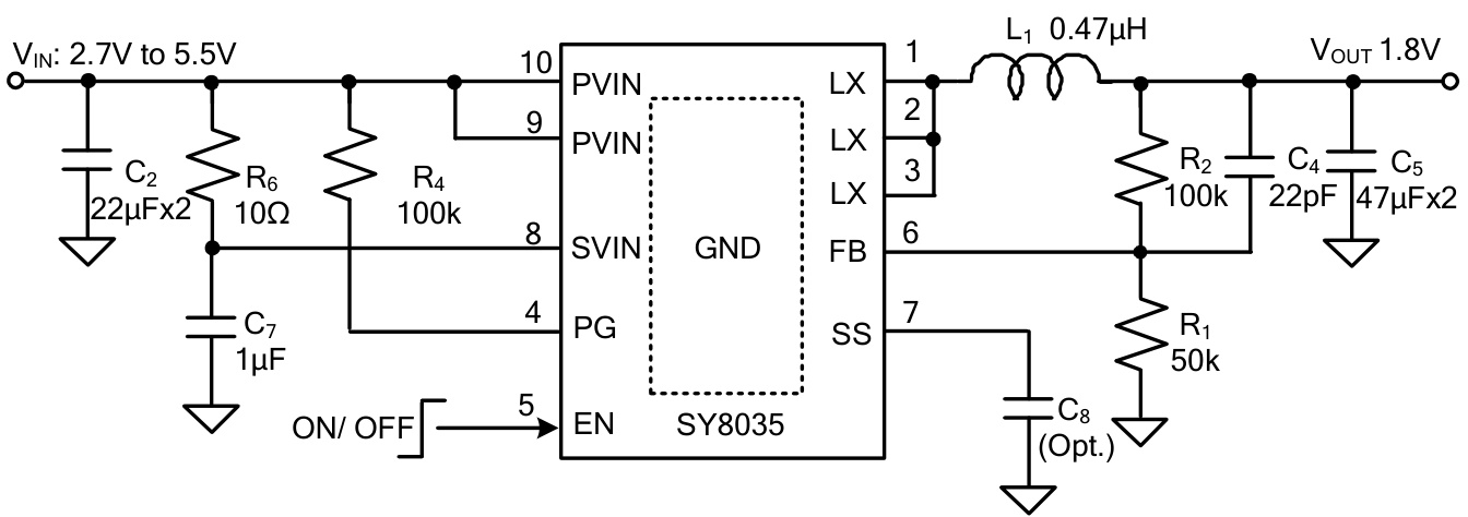
SY8035是一款高效1MHz同步降压DC-DC调节器芯片,输入电压范围2.7V至5.5V,最大输出电流5A。集成45mΩ/35mΩ低导通电阻的顶部和底部MOSFET开关,采用PWM控制架构实现高频低纹波。具备可调软启动功能限制浪涌电流,支持使能控制与电源就绪指示,适用于LCD电视、路由器及便携设备供电。
芯片特点:
输入2.7V~5.5V
输出5A
内置MOS
1MHz
使能
软启动

SY8035是一款高效1MHz同步降压DC-DC调节器芯片,输入电压范围2.7V至5.5V,最大输出电流5A。集成45mΩ/35mΩ低导通电阻的顶部和底部MOSFET开关,采用PWM控制架构实现高频低纹波。具备可调软启动功能限制浪涌电流,支持使能控制与电源就绪指示,适用于LCD电视、路由器及便携设备供电。
描述SY8035是一款高效率的1MHz同步降压DC-DC调节器IC,能够提供高达5A的输出电流。其输入电压范围为2.7V至5.5V,集成了主开关和同步开关,具有低导通损耗。外部可调软启动限制了浪涌电流,输出电压纹波低,外部电感和电容尺寸小。
SMT扩展库
5000个/圆盘
总额¥0
近期成交14单