芯片简介
MP2303A是一款单片同步降压稳压器,集成150mΩ高边MOSFET和80mΩ低边MOSFET,支持4.7V至28V宽输入电压范围,提供3A连续负载电流。采用电流模式控制实现快速瞬态响应和逐周期限流保护,具有可调软启动功能,关断模式下静态电流低于1μA。特性包括0.80V至25V可调输出电压、高达95%效率、陶瓷电容稳定性及输入欠压锁定保护。
芯片特点:
输入4.7V~28V
输出3A
内置MOS管
360kHz
使能
软启动

MP2303A是一款单片同步降压稳压器,集成150mΩ高边MOSFET和80mΩ低边MOSFET,支持4.7V至28V宽输入电压范围,提供3A连续负载电流。采用电流模式控制实现快速瞬态响应和逐周期限流保护,具有可调软启动功能,关断模式下静态电流低于1μA。特性包括0.80V至25V可调输出电压、高达95%效率、陶瓷电容稳定性及输入欠压锁定保护。
| 开源项目名称 | 开源项目介绍 |
|---|---|
| C379995_DCDC验证板-sop8封装 | 可用于验证28款同步整流DCDC芯片 |
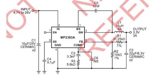
描述DCDC降压,电源输入7V~30V,1A~3A(中电流)方案,MP2303A是一款单片同步降压调节器,集成了150mΩ高侧MOSFET和80mΩ低侧MOSFET,提供3A连续负载电流,工作输入电压范围为4.7V至28V,输出电压可调范围为0.80V至25V,效率高达95%,具有可编程软启动功能,内置过流保护,关断模式下电源电流低于1μA,适用于分布式电源系统、笔记本电脑等应用。
2500个/圆盘
总额¥0
近期成交31单
描述PCB空板 可用于验证28款同步整流DCDC芯片,详见https://www.szlcsc.com/info/12160.html
300个/袋
总额¥0
近期成交38单