芯片简介
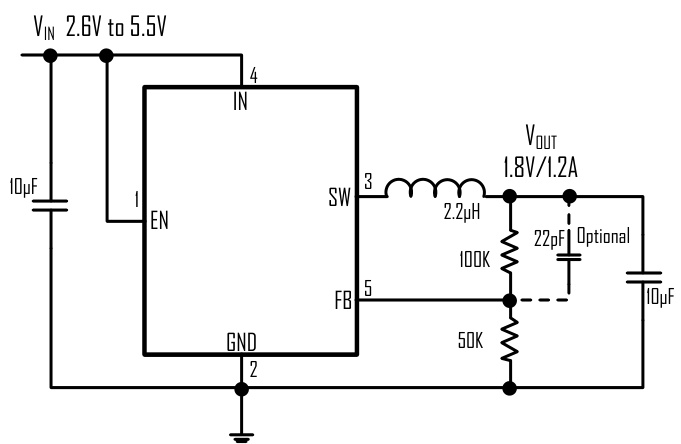
ETA3406S2F是一款高效DC-DC降压开关稳压器,可提供最大1.2A输出电流。工作输入电压范围为2.6V至5.5V(电气参数表标注最大9V),输出电压范围0.6V至VIN。采用1.5MHz固定开关频率设计,内置同步整流MOSFET、软启动电路及电流/温度保护功能,通过外部电阻调节输出电压。
芯片特点:
输入2.6V~9V
输出1.2A
内置MOS
1.5MHz
使能
软启动

ETA3406S2F是一款高效DC-DC降压开关稳压器,可提供最大1.2A输出电流。工作输入电压范围为2.6V至5.5V(电气参数表标注最大9V),输出电压范围0.6V至VIN。采用1.5MHz固定开关频率设计,内置同步整流MOSFET、软启动电路及电流/温度保护功能,通过外部电阻调节输出电压。
描述ETA3406是一款高效、DC-DC降压转换器,能够提供高达1.2A的输出电流。该器件的工作输入电压范围为2.6V至5.5V,输出电压范围为0.6V至VIN。运行在固定的1.5MHz开关频率下,内置补偿电路使其适用于低电压电源转换。采用SOT23-5L封装,具有轻载操作、内置软启动控制、短路和热过载保护等功能。
RoHSSMT扩展库
3000个/圆盘
总额¥0
近期成交40单