芯片简介
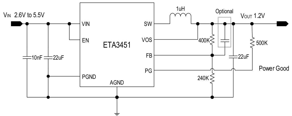
ETA3451D2I是一款高频同步降压转换器,采用自适应恒定导通时间控制技术,支持1.5MHz开关频率,最大输出电流3.5A,效率高达95%。具备软启动、UVLO和热关断保护功能,反馈电压0.45V,适用于ARM架构CPU供电。
芯片特点:
输入2.6V~5.5V
输出3.5A
内置MOS
1.5MHz
使能
软启动

ETA3451D2I是一款高频同步降压转换器,采用自适应恒定导通时间控制技术,支持1.5MHz开关频率,最大输出电流3.5A,效率高达95%。具备软启动、UVLO和热关断保护功能,反馈电压0.45V,适用于ARM架构CPU供电。
描述ETA3451是一款高频率自适应COT控制同步降压转换器,结合了电压模式控制和恒定导通时间控制的优点。它能够提供高达95%的效率,最大输出电流为3.5A,适用于ARM基CPU的电源供应。
RoHSSMT扩展库
3000个/圆盘
总额¥0
近期成交18单