芯片简介
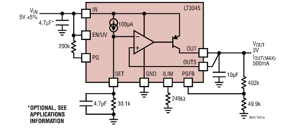
LT3045EDD#TRPBF是一款高性能低压差线性稳压器,专为噪声敏感应用设计,采用超低噪声和超高电源抑制比架构。支持1.8V至20V宽输入电压范围,输出电流500mA,典型压差电压260mV。通过外部电阻可编程输出电压,并具有可编程电流限制、快速启动、电源良好指示功能。内部集成误差放大器、基准电流源、保护电路,支持并联使用以降低噪声或增加输出电流。
芯片特点:
输入20V
输出500mA
精度±1%
输出0V~15V
使能

LT3045EDD#TRPBF是一款高性能低压差线性稳压器,专为噪声敏感应用设计,采用超低噪声和超高电源抑制比架构。支持1.8V至20V宽输入电压范围,输出电流500mA,典型压差电压260mV。通过外部电阻可编程输出电压,并具有可编程电流限制、快速启动、电源良好指示功能。内部集成误差放大器、基准电流源、保护电路,支持并联使用以降低噪声或增加输出电流。
| 开源项目名称 | 开源项目介绍 |
|---|---|
| LT3045超低噪声LDO验证板 | 基于LT3045的双并联超高PSRR、超低噪声LDO验证板 |
描述20V、500mA、超低噪声、超高 PSRR 线性稳压器
RoHSSMT扩展库
2500个/圆盘
总额¥0
近期成交100单+