芯片简介
AMS1117-1.8是一款低噪声、低压差的线性稳压器,可提供最大1A输出电流,输出电压精度为±2%。芯片内部包含误差放大器、基准电压源、功率晶体管和保护电路,具有负载调节、热保护和低噪声特性。
芯片特点:
输入30V
输出1A
精度±2%
输出1.8V

AMS1117-1.8是一款低噪声、低压差的线性稳压器,可提供最大1A输出电流,输出电压精度为±2%。芯片内部包含误差放大器、基准电压源、功率晶体管和保护电路,具有负载调节、热保护和低噪声特性。
| 开源项目名称 | 开源项目介绍 |
|---|---|
| C2842719-LDO方案验证板(A版) | LDO验证板A版:3款SOT-23-3、3款SOT-89-3、2款SOT-23-5、2款SOT-23-6、2款SOT-223。 |
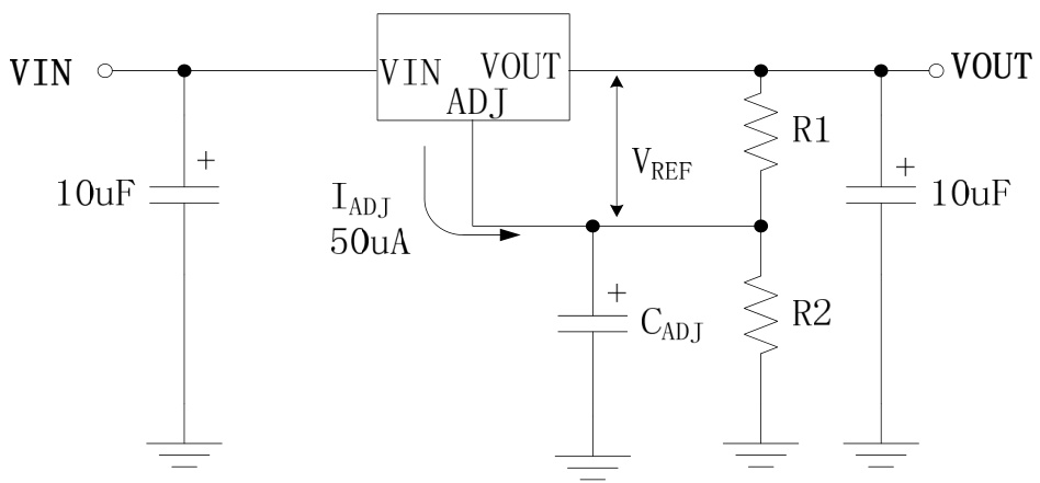
描述AMS1117是一系列低压差稳压器,可提供高达1A的输出电流。AMS1117有六种固定电压规格,分别为1.2V、1.5V、1.8V、2.5V、3.3V和5.0V。此外,它还有可调版本
SMT扩展库
1000个/圆盘
总额¥0
近期成交20单