芯片简介
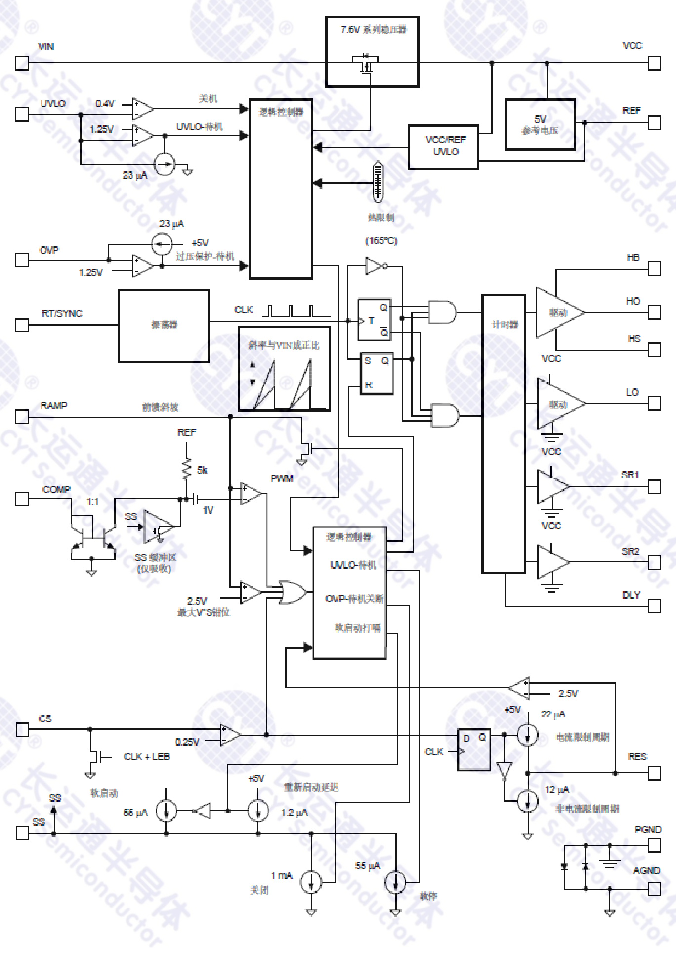
CD5035IHTS是一款半桥拓扑PWM控制器,适用于DC/DC电源转换,支持13V至105V宽输入电压范围。内置高压启动稳压器、可编程输入欠压锁定(UVLO)、过压保护(OVP)及热关断保护功能,通过电阻可编程振荡器频率至2MHz并支持外部同步。其特性包括逐周期过流保护、可调软启动、同步整流驱动输出,以及通过外部电阻设置死区时间和重启延迟。
芯片特点:
输入13V~105V
输出2A
可编程到2MHz
软启动
使能


CD5035IHTS是一款半桥拓扑PWM控制器,适用于DC/DC电源转换,支持13V至105V宽输入电压范围。内置高压启动稳压器、可编程输入欠压锁定(UVLO)、过压保护(OVP)及热关断保护功能,通过电阻可编程振荡器频率至2MHz并支持外部同步。其特性包括逐周期过流保护、可调软启动、同步整流驱动输出,以及通过外部电阻设置死区时间和重启延迟。
描述CD5035是一款半桥PWM控制器,最高工作电压105V,具有2A的峰值带载能力。内部包括启动调节器、可编程输入欠压锁定和过压保护功能。支持振荡器同步和可调软启动,提供逐周期电流限制和可调打嗝式过流保护。适用于DC/DC电源应用。
SMT扩展库
1000个/圆盘
总额¥0
近期成交6单