芯片简介
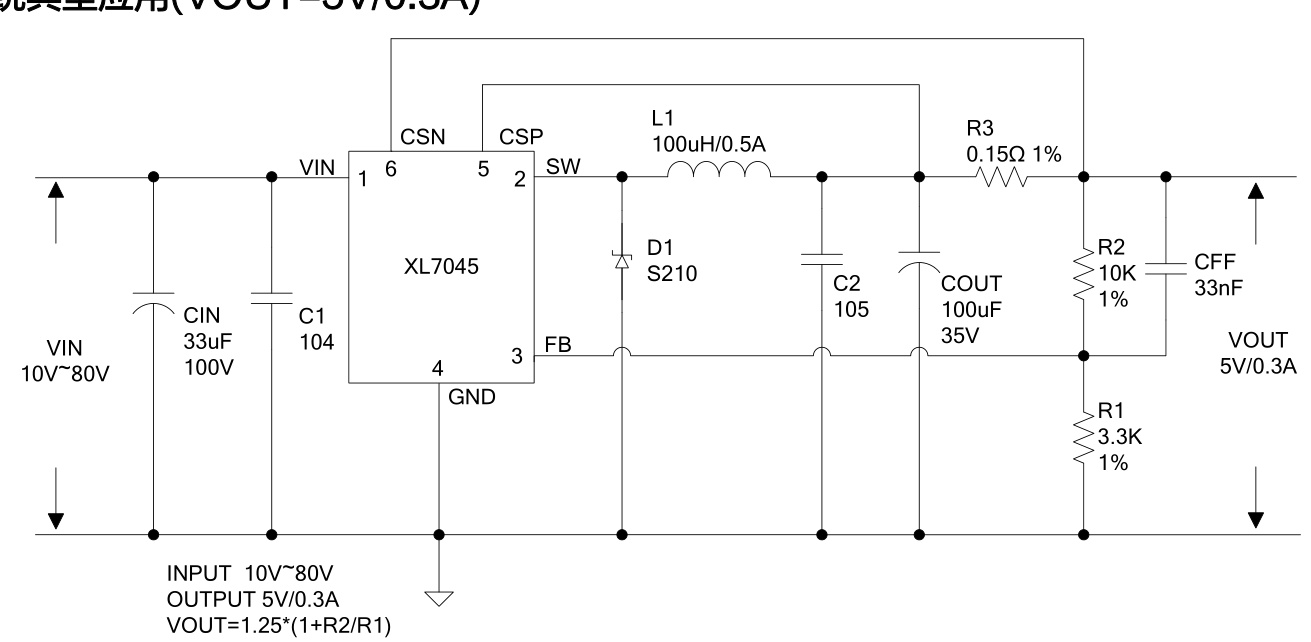
XL7045E1是一款高效高压降压型DC-DC转换器,采用固定100KHz开关频率,提供最高0.3A输出电流能力,具备低纹波和出色的线性/负载调整率。内置固定频率振荡器、频率补偿电路及PWM控制环路(占空比0-100%可调),简化外围设计。集成输出过流保护(短路时频率降至15KHz)、过热关断、限流及短路保护功能,最高效率达84%,支持1.25V-20V输出电压调节。
芯片特点:
输入10V~80V
输出0.3A
100KHz
内置高压功率三极管
使能
软启动
工业品
XL7045E1是一款高效高压降压型DC-DC转换器,采用固定100KHz开关频率,提供最高0.3A输出电流能力,具备低纹波和出色的线性/负载调整率。内置固定频率振荡器、频率补偿电路及PWM控制环路(占空比0-100%可调),简化外围设计。集成输出过流保护(短路时频率降至15KHz)、过热关断、限流及短路保护功能,最高效率达84%,支持1.25V-20V输出电压调节。
描述DCDC降压,电源输入30V以上,1A以内(小电流)方案,XL7045是一款高效、高压降压型DC-DC转换器,最高输入电压100V,输出电压从1.25V到20V可调,固定100KHz开关频率,提供最高0.3A输出电流能力,内置高压功率三极管,内置过热关断保护功能,内置限流功能,内置输出短路保护功能。
RoHSSMT扩展库
4000个/圆盘
总额¥0
近期成交47单