芯片简介
SY8008BAAC是高效同步降压DC-DC调节器芯片,支持2.5V至5.5V输入电压范围,集成低导通电阻的主开关和同步开关。采用1.5MHz开关频率以减小外部元件尺寸,内置软启动功能限制浪涌电流,支持100%占空比操作,符合RoHS和无卤素标准。
芯片特点:
输入2.5V~5.5V
输出1A
内置MOS
1.5MHz
使能
软启动

SY8008BAAC是高效同步降压DC-DC调节器芯片,支持2.5V至5.5V输入电压范围,集成低导通电阻的主开关和同步开关。采用1.5MHz开关频率以减小外部元件尺寸,内置软启动功能限制浪涌电流,支持100%占空比操作,符合RoHS和无卤素标准。
| 开源项目名称 | 开源项目介绍 |
|---|---|
| DC-DC降压芯片方案验证板-A版 | 该方案验证版,主要用于测试市面上常见的SOT-23封装的降压型DC/DC芯片,板子上目前集成了三种引脚排序。 |
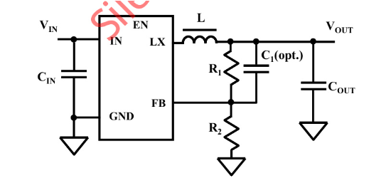
描述SY8008BAAC 是一款高效率的1.5MHz同步降压DC-DC转换器,能够提供高达1A的输出电流。该系列器件的工作输入电压范围为2.5V至5.5V,集成主开关和同步开关,具有非常低的导通电阻,以减少传导损耗。1.5MHz的开关频率减小了外部组件的数量,内部软启动限制了浪涌电流,低输出电压纹波和小型外部电感和电容器尺寸得以实现。
SMT扩展库
3000个/圆盘
总额¥0
近期成交34单