芯片简介
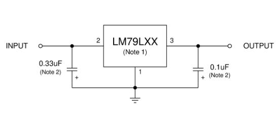
LM79L15F是一款固定电压负压线性稳压器,支持-17.5V至-30V输入范围,提供-15V输出。具有内部热过载保护、短路限流功能,输出噪声电压典型值82μV,适用于消除噪声和单点稳压问题。采用误差放大器和保护电路设计,可替代齐纳二极管-电阻组合以改善输出阻抗。
芯片特点:
输入30V
输出0.1A
精度±4%
功耗:770mW
输出-15V

LM79L15F是一款固定电压负压线性稳压器,支持-17.5V至-30V输入范围,提供-15V输出。具有内部热过载保护、短路限流功能,输出噪声电压典型值82μV,适用于消除噪声和单点稳压问题。采用误差放大器和保护电路设计,可替代齐纳二极管-电阻组合以改善输出阻抗。
描述固定电压单片集成电路稳压器系列设计用于广泛的应用领域。这些应用包括板载稳压,以消除与单点稳压相关的噪声和分配问题。此外,它们可以与功率传输元件一起使用,以制造高电流稳压器。每个稳压器可提供高达 100mA 的输出电流。这些稳压器的内部限流和热关断特性使其基本不受过载影响。当用作齐纳二极管-电阻组合的替代品时,可以获得输出阻抗的有效改善以及更低的偏置电流。
1000个/圆盘
总额¥0
近期成交4单