芯片简介
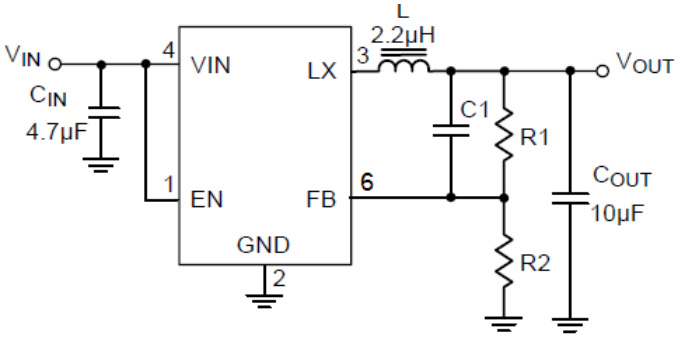
HT1488ARTZ是一款1.5MHz恒定频率的同步降压转换器,输入电压范围为2.3V至6V,输出电压可低至0.6V,支持2A输出电流。采用电流模式架构和内部MOSFET设计,效率高达96%,具有PFM轻载高效模式、100%占空比低压差运行、短路保护及热故障保护功能。内置软启动机制,提供低输出纹波,适用于便携设备电源管理。
芯片特点:
输入2.3V~6V
输出2A
内置MOS
1.5MHz
使能
软启动

HT1488ARTZ是一款1.5MHz恒定频率的同步降压转换器,输入电压范围为2.3V至6V,输出电压可低至0.6V,支持2A输出电流。采用电流模式架构和内部MOSFET设计,效率高达96%,具有PFM轻载高效模式、100%占空比低压差运行、短路保护及热故障保护功能。内置软启动机制,提供低输出纹波,适用于便携设备电源管理。
描述HT1488A 是一款1.5MHz固定频率、电流模式的同步降压转换器,适用于便携式设备,如单节锂离子电池供电系统。它可以在100%占空比下运行,实现低 dropout 操作,延长电池寿命。该芯片支持高达2A的输出电流,输出电压可调节至低至0.6V。高开关频率减小了外部元件的尺寸,同时保持低开关损耗。内部斜坡补偿设置允许使用较小的电感值,优化尺寸并提供高效操作。HT1488A 采用6引脚SOT23封装。
SMT扩展库
3000个/圆盘
总额¥0
近期成交1单