芯片简介
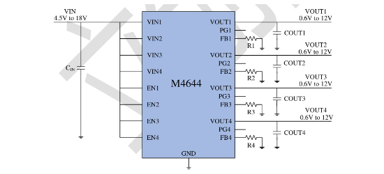
M4644是一款四通道同步降压型电源芯片,集成功率MOSFET、电感和输入去耦电容,支持4.5V至16V宽输入电压范围,输出电压通过外部电阻可调(0.6V-12V)。采用恒定导通时间(COT)控制模式,具备2.8ms内部软启动、使能控制、电源就绪(PG)指示功能。集成过流保护(OCP)、短路保护(SCP)、欠压保护(UVP)、过压保护(OVP)及热关断保护,支持预偏置启动和陶瓷电容稳定工作。
芯片特点:
输入4.5V~16V
输出4A
内置MOS
600kHz
使能
软启动
内置电感:内置电感




