芯片简介
L7905CV是一款三端负压线性稳压器,支持35V输入电压和1.5A输出电流。采用误差放大器、基准电压源、功率晶体管和保护电路设计,具有热过载保护、短路保护、输出过渡SOA保护和低噪声特性。可通过外部元件调整电压和电流,适用于分体电源应用场景。
芯片特点:
输入35V
输出1.5A
精度±2%
输出-5V

L7905CV是一款三端负压线性稳压器,支持35V输入电压和1.5A输出电流。采用误差放大器、基准电压源、功率晶体管和保护电路设计,具有热过载保护、短路保护、输出过渡SOA保护和低噪声特性。可通过外部元件调整电压和电流,适用于分体电源应用场景。
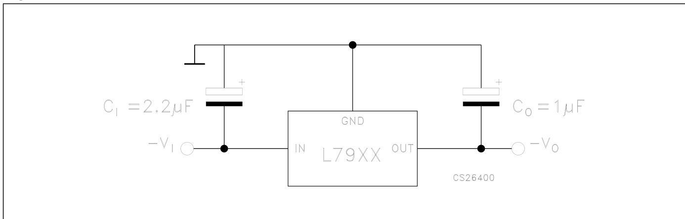
描述L79xxC 系列三端负电压稳压器采用 TO-220、TO-220FP 和 D²PAK 封装,并提供多种固定输出电压,适用于各种应用。这些稳压器可提供本地卡上稳压,从而消除了单点稳压带来的分配问题;此外,由于具有与 L78xx 正电压标准系列相同的电压选项,它们尤其适用于分离式电源。如果提供足够的散热,它们可以提供超过 1.5 A 的输出电流。虽然这些器件主要设计为固定电压稳压器,但它们也可以与外部元件配合使用,以获得可调电压和电流。
RoHSSMT扩展库
50个/管
总额¥0
近期成交71单